Bosch Інструмент Сервіс

/Адреса:

Київ, пр-т Берестейський, 45

/Шулявська

Режим роботи:

Пн-Чт: 09-00 до 17-00;

П'ятниця: 09-00 до 15-00;

Сб-Нд: вихідний

0

0 товаров на сумму 0 грн

Оформити замовлення

/Адреса:

Київ, пр-т Берестейський, 45

/Шулявська

Режим роботи:

Пн-Чт: 09-00 до 17-00;

П'ятниця: 09-00 до 15-00;

Сб-Нд: вихідний

Авторизований сервісний центр

з ремонту електроінструменту Bosch, Dremel

Bosch Інструмент Сервіс

0

0 товаров на сумму 0 грн

Оформити замовлення

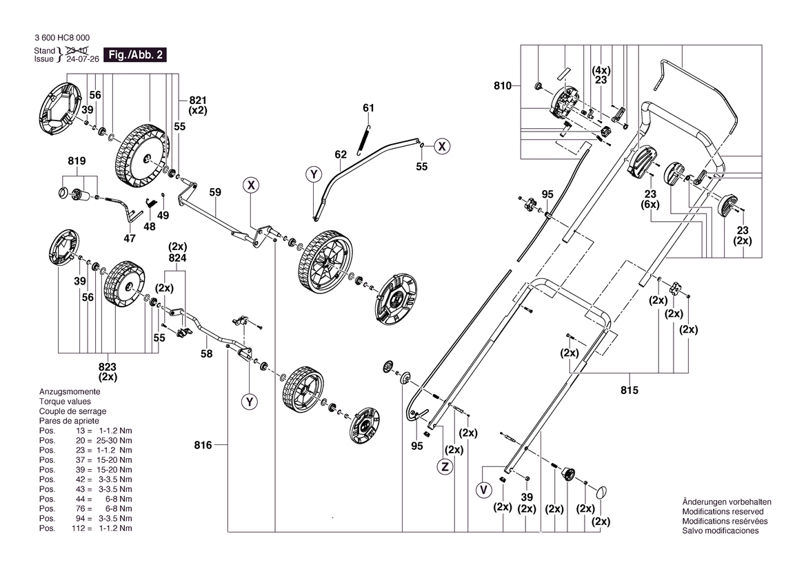
Схема деталювання Акум. газонокосарка GRA 18V2-46 (3600HC8000)

Для замовлення запчастин Bosch виберіть необхідні деталі на схемі, клікнувши за номером позиції на схемі або по потрібному рядку в таблиці. Підтвердьте замовлення унизу сторінки кнопкою Додати запчастини до кошика. Завершіть покупку через кошик.

  • Схема 1
  • Схема 2
  • Схема 3
  • Артикул
  • Назва
  • ЗАПИТ
  • Ціна
  • 47
  • 1600A03225
  • Ричаг
  • ЗАПИТ
    наявності
  • 2
  • 180 грн
  • 26
  • 1600A030L9
  • КОНТАКТНА КОЛОДКА
  • ЗАПИТ
    наявності
  • 1
  • 724 грн
  • 820
  • F016F06201
  • Корпус акумулятора
  • ЗАПИТ
    наявності
  • 1
  • 823 грн
  • 3
  • 1600A02T2D
  • Електронний Блок
  • ЗАПИТ
    наявності
  • 1
  • 4045 грн
  • 808
  • F016F06189
  • Етикетка типу
  • ЗАПИТ
    наявності
  • 1
  • 50 грн
  • 56
  • 1600A031C6
  • Ущільнювальна шайба
  • ЗАПИТ
    наявності
  • 1,1,2,2
  • 29 грн
  • 35
  • 1600A02T2V
  • РУЧКА
  • ЗАПИТ
    наявності
  • 1
  • 79 грн
  • 824
  • F016F06205
  • ЕЛЕМЕНТ кріплення
  • ЗАПИТ
    наявності
  • 2
  • 79 грн
  • 11
  • 1600A02R3T
  • Кришка акумулятора
  • ЗАПИТ
    наявності
  • 1
  • 115 грн
  • 812
  • F016F06193
  • Вал з пресшайбами
  • ЗАПИТ
    наявності
  • 1
  • 92 грн
  • 62
  • 1600A02T36
  • ШАРНІРНА ЧАСТИНА
  • ЗАПИТ
    наявності
  • 2
  • 163 грн
  • 40
  • 1600A02R3Y
  • Передня обшивка
  • ЗАПИТ
    наявності
  • 1
  • 240 грн
  • 16
  • 1600A02T2H
  • ПРОМІЖНА ШАЙБА
  • ЗАПИТ
    наявності
  • 1
  • 132 грн
  • 816
  • F016F06197
  • КОМПЛЕКТ РУКАЯТКИ
  • ЗАПИТ
    наявності
  • 2
  • 637 грн
  • 653
  • 2607225921
  • ЗАРЯДНИЙ ПРИСТРІЙ GAL 1880 CV
  • ЗАПИТ
    наявності
  • 3
  • 5162 грн
  • 656
  • 1600A02TX6
  • Каркас травозбірника
  • ЗАПИТ
    наявності
  • 3
  • 823 грн
  • 48
  • 1600A03226
  • ПРУЖИНА
  • ЗАПИТ
    наявності
  • 2
  • 29 грн
  • 27
  • 1600A02Z4B
  • ЕТИКЕТКА
  • ЗАПИТ
    наявності
  • 1,1
  • 29 грн
  • 821
  • F016F06202
  • КОЛЕСО ЗАДНЄ
  • ЗАПИТ
    наявності
  • 2
  • 637 грн
  • 5
  • 1600A02R3U
  • Кронштейн акумулятора
  • ЗАПИТ
    наявності
  • 1
  • 403 грн
  • 809
  • F016F06190
  • НАВІСКА ВИМИКАЧА
  • ЗАПИТ
    наявності
  • 1
  • 448 грн
  • 58
  • 1600A02T31
  • Вал з пресшайбами
  • ЗАПИТ
    наявності
  • 2
  • 317 грн
  • 36
  • 1600A02T2W
  • Пластмасова кришка
  • ЗАПИТ
    наявності
  • 1
  • 92 грн
  • 825
  • F016F06206
  • Ніж газонокосарки
  • ЗАПИТ
    наявності
  • 1
  • 403 грн
  • 12
  • 1600A02T2E
  • Вал з пресшайбами
  • ЗАПИТ
    наявності
  • 1
  • 50 грн
  • 813
  • F016F06194
  • ФАРТУК
  • ЗАПИТ
    наявності
  • 1
  • 358 грн
  • 65
  • 1600A031C7
  • НАПРЯМНА ПЛАНКА
  • ЗАПИТ
    наявності
  • 1
  • 29 грн
  • 41
  • 1600A02T2X
  • ГРЕБІНКА
  • ЗАПИТ
    наявності
  • 1
  • 92 грн
  • 17
  • 1600A02T2J
  • ВЕНТИЛЯТОР
  • ЗАПИТ
    наявності
  • 1
  • 66 грн
  • 817
  • F016F06198
  • НАВІСКА ВИМИКАЧА
  • ЗАПИТ
    наявності
  • 1
  • 317 грн
  • 23
  • 16034300CE
  • болт
  • ЗАПИТ
    наявності
  • 1,1,1,1,1,1,1,1,2,2,2
  • 66 грн
  • 818
  • F016F06199
  • Двигун постійного струму
  • ЗАПИТ
    наявності
  • 1,1
  • 6931 грн
  • 657
  • 1600A02TX5
  • Травозбірник
  • ЗАПИТ
    наявності
  • 3
  • 0 грн
  • 49
  • 160015004J
  • СТОПОРНЕ КІЛЬЦЕ
  • ЗАПИТ
    наявності
  • 2
  • 29 грн
  • 30
  • 1600A02T2P
  • ОПОРНА ПЛИТА
  • ЗАПИТ
    наявності
  • 1
  • 637 грн
  • 822
  • F016F06203
  • болт
  • ЗАПИТ
    наявності
  • 1
  • 79 грн
  • 6
  • 1600A02YF4
  • Двобородковий ключ
  • ЗАПИТ
    наявності
  • 1
  • 403 грн
  • 810
  • F016F06191
  • КОМПЛЕКТ РУКАЯТКИ
  • ЗАПИТ
    наявності
  • 2
  • 554 грн
  • 59
  • 1600A02T32
  • Вал з пресшайбами
  • ЗАПИТ
    наявності
  • 2
  • 448 грн
  • 37
  • 16034350AJ
  • Гвинт із шестигранною головою
  • ЗАПИТ
    наявності
  • 1,1
  • 92 грн
  • 13
  • 1600A02T7P
  • КОМБІНОВАНИЙ Гвинт
  • ЗАПИТ
    наявності
  • 1
  • 29 грн
  • 814
  • F016F06195
  • Кришка акумулятора
  • ЗАПИТ
    наявності
  • 1
  • 274 грн
  • 95
  • 1600A0323C
  • Фіксатор кабелю
  • ЗАПИТ
    наявності
  • 2,2
  • 29 грн
  • 42
  • 16034300CH
  • болт
  • ЗАПИТ
    наявності
  • 1
  • 50 грн
  • 43
  • 16034300CK
  • болт
  • ЗАПИТ
    наявності
  • 1
  • 29 грн
  • 24
  • 1600A02T2N
  • ЕЛЕМЕНТ ЗАХИСТУ
  • ЗАПИТ
    наявності
  • 1
  • 132 грн
  • 819
  • F016F06200
  • КНОПОЧНА РУЧКА
  • ЗАПИТ
    наявності
  • 2
  • 79 грн
  • 1
  • 1600A02T2C
  • КОРПУС ГАЗОНОКОСИЛКИ
  • ЗАПИТ
    наявності
  • 1
  • 4045 грн
  • 659
  • 1600A02R3X
  • НАПРЯМНА ПЛИТА
  • ЗАПИТ
    наявності
  • 1
  • 180 грн
  • 55
  • 160015004E
  • ПРУЖИННА ШАЙБА
  • ЗАПИТ
    наявності
  • 2,2,2
  • 50 грн
  • 32
  • 1600A02T2T
  • Висотомір
  • ЗАПИТ
    наявності
  • 1
  • 50 грн
  • 823
  • F016F06204
  • КОЛЕСО ПЕРЕДНЄ
  • ЗАПИТ
    наявності
  • 2
  • 358 грн
  • 10
  • 1600A02R3S
  • Кришка акумулятора
  • ЗАПИТ
    наявності
  • 1
  • 115 грн
  • 811
  • F016F06192
  • ОПОРНА ПЛИТА
  • ЗАПИТ
    наявності
  • 1
  • 554 грн
  • 61
  • 1600A02T35
  • ПРУЖИНА РОЗМІЩЕННЯ
  • ЗАПИТ
    наявності
  • 2
  • 50 грн
  • 39
  • 1600A02T7R
  • ШЕСТИГРАНА ГАЙКА
  • ЗАПИТ
    наявності
  • 1,1,2,2,2
  • 92 грн
  • 15
  • 1600A02T2G
  • Запор з засувкою
  • ЗАПИТ
    наявності
  • 1
  • 29 грн
  • 815
  • F016F06196
  • БАРАШКОВА ГАЙКА
  • ЗАПИТ
    наявності
  • 2
  • 115 грн
  • 651
  • 1607A350LR
  • БЛОК АКУМУЛЯТОРІВ GBA 18V 5.5 Ah
  • ЗАПИТ
    наявності
  • 3
  • 0 грн
close

Купити запчастини та комплектуючі на Акум. газонокосарка GRA 18V2-46 (3600HC8000)

Якщо ви не знайшли необхідні деталі на схемі, цікавить наявність та вартість комплектуючих, уточніть інформацію у менеджера по телефону або надішліть запит через форму зворотного зв'язку.

  • Артикул
  • Назва деталі
  • Кіль-сть на схемі
  • Кіль-сть у кошику
  • Ціна
Додати запчастини до кошика

Усього на суму: 0.00грн