Bosch Інструмент Сервіс

/Адреса:

Київ, пр-т Берестейський, 45

/Шулявська

Режим роботи:

Пн-Чт: 09-00 до 17-00;

П'ятниця: 09-00 до 15-00;

Сб-Нд: вихідний

0

0 товаров на сумму 0 грн

Оформити замовлення

/Адреса:

Київ, пр-т Берестейський, 45

/Шулявська

Режим роботи:

Пн-Чт: 09-00 до 17-00;

П'ятниця: 09-00 до 15-00;

Сб-Нд: вихідний

Авторизований сервісний центр

з ремонту електроінструменту Bosch, Dremel

Bosch Інструмент Сервіс

0

0 товаров на сумму 0 грн

Оформити замовлення

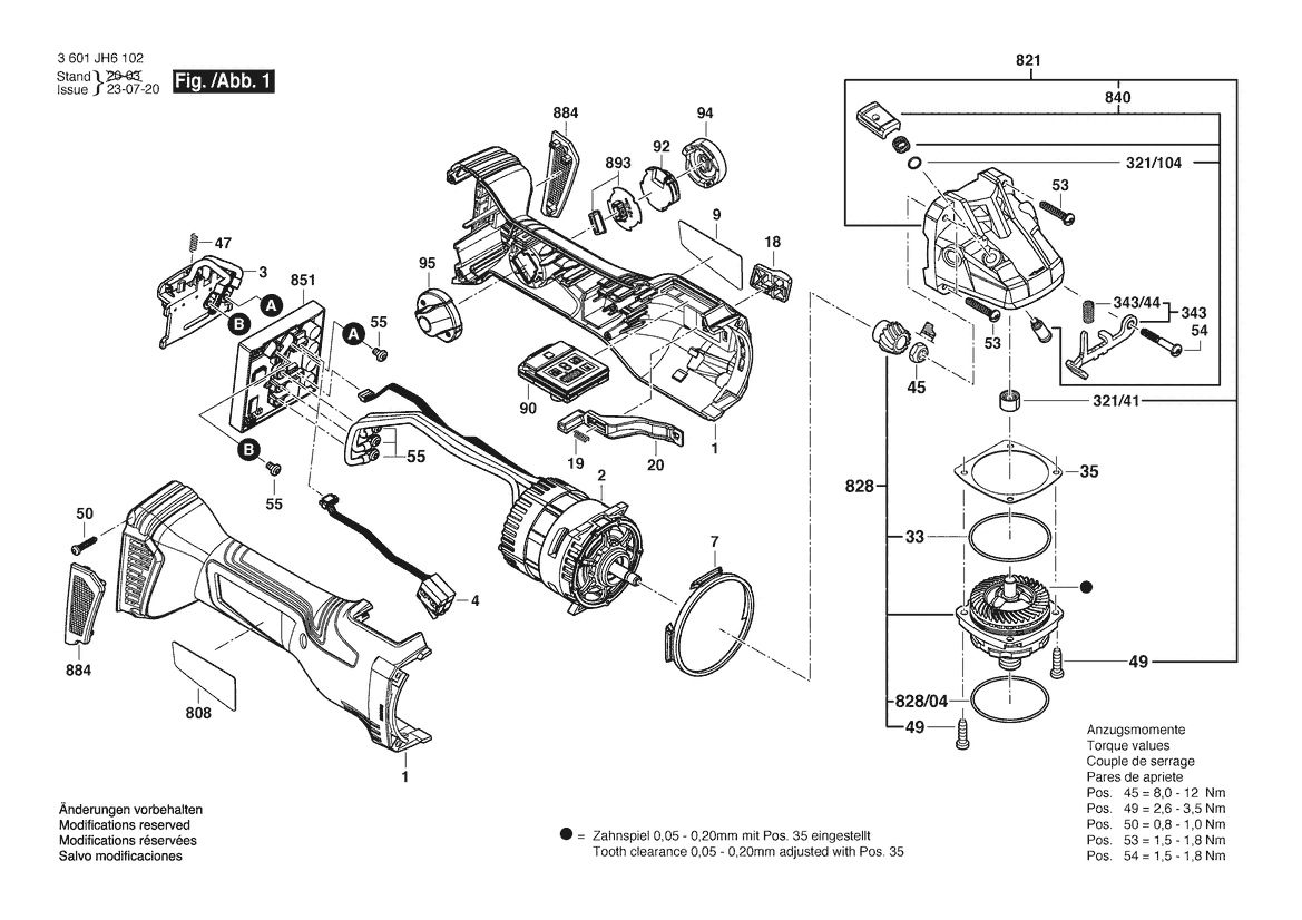
Схема деталювання Акум. Кутова шліфмашина GWS 18V-15 SC (3601JH6102)

Для замовлення запчастин Bosch виберіть необхідні деталі на схемі, клікнувши за номером позиції на схемі або по потрібному рядку в таблиці. Підтвердьте замовлення унизу сторінки кнопкою Додати запчастини до кошика. Завершіть покупку через кошик.

  • Схема 1
  • Схема 2
  • Артикул
  • Назва
  • ЗАПИТ
  • Ціна
  • 35
  • 1600136014
  • РЕГУЛЮВАЛЬНЕ КІЛЬЦЕ 0,2 MM
  • ЗАПИТ
    наявності
  • 1
  • 79 грн
  • 650/5
  • 2605703014
  • КРІПИЛЬНИЙ ФЛАНЕЦЬ Ø22,3XØ42 MM
  • ЗАПИТ
    наявності
  • 2
  • 240 грн
  • 343
  • 1607000742
  • ФІКСАТОРНИЙ ВАЖІЛЬ
  • ЗАПИТ
    наявності
  • 1
  • 240 грн
  • 47
  • 1609280477
  • ПРУЖИНА СТИСКАННЯ
  • ЗАПИТ
    наявності
  • 1
  • 50 грн
  • 4
  • 1600A016JC
  • ГРУПА ВИМИКАЧІВ
  • ЗАПИТ
    наявності
  • 1
  • 637 грн
  • 653
  • 2607337263
  • Акумулятор 18 V Li 6,0 Ah (S)
  • ЗАПИТ
    наявності
  • 2
  • 0 грн
  • 828
  • 1607000D83
  • ОПОРНИЙ ФЛАНЕЦЬ
  • ЗАПИТ
    наявності
  • 1
  • 1350 грн
  • 54
  • 1603414026
  • ГВИНТ З ГОЛОВКОЮ TORX 4X30
  • ЗАПИТ
    наявності
  • 1
  • 29 грн
  • 19
  • 160461203M
  • ПРУЖИНА СТИСКАННЯ
  • ЗАПИТ
    наявності
  • 1
  • 29 грн
  • 884
  • 1607000CA9
  • ФІЛЬТРУВАЛЬНИЙ ВУЗОЛ
  • ЗАПИТ
    наявності
  • 1,1
  • 358 грн
  • 94
  • 16055002FA
  • Кришка Bluetooth модуля
  • ЗАПИТ
    наявності
  • 1
  • 50 грн
  • 95
  • 1600A019TY
  • ПРОТИПИЛОВА КРИШКА
  • ЗАПИТ
    наявності
  • 1
  • 29 грн
  • 35
  • 1600136015
  • РЕГУЛЮВАЛЬНЕ КІЛЬЦЕ 0,3 MM
  • ЗАПИТ
    наявності
  • 1
  • 79 грн
  • 1
  • 16051082J3
  • КОРПУС МОТОРА
  • ЗАПИТ
    наявності
  • 1,1
  • 724 грн
  • 650/5/2
  • 1600210055
  • КІЛЬЦЕ УЩІЛЬНЮЮЧЕ 20,35X1,78 MM
  • ЗАПИТ
    наявності
  • 2
  • 0 грн
  • 343/44
  • 1604611042
  • ПРУЖИНА СТИСКАННЯ
  • ЗАПИТ
    наявності
  • 1
  • 50 грн
  • 49
  • 2914491410
  • САМОНАРІЗНИЙ ГВИНТ M4X16
  • ЗАПИТ
    наявності
  • 1,1
  • 29 грн
  • 7
  • 1600A016U4
  • ПРОКЛАДНЕ КІЛЬЦЕ
  • ЗАПИТ
    наявності
  • 1
  • 50 грн
  • 652
  • 2607225921
  • Зарядний пристрій GAL 1880 CV (S)
  • ЗАПИТ
    наявності
  • 2
  • 5162 грн
  • 828/04
  • 3600210109
  • КІЛЬЦЕ УЩІЛЬНЮЮЧЕ 47,0X1,5 MM
  • ЗАПИТ
    наявності
  • 1
  • 66 грн
  • 55
  • 160343003T
  • БОЛТ
  • ЗАПИТ
    наявності
  • 1,1,1
  • 29 грн
  • 20
  • 1600A016PX
  • ПОВЗУНКОВИЙ ПЕРЕМИКАЧ
  • ЗАПИТ
    наявності
  • 1
  • 29 грн
  • 893
  • 1607000D91
  • ЕЛЕКТРОННИЙ МОДУЛЬ Bluetooth
  • ЗАПИТ
    наявності
  • 1
  • 403 грн
  • 650/1
  • 16020250A0
  • Антивібраційна рукоятка
  • ЗАПИТ
    наявності
  • 2
  • 358 грн
  • 321/104
  • 1600210044
  • КІЛЬЦЕ УЩІЛЬНЮЮЧЕ 4,5X1,0 MM
  • ЗАПИТ
    наявності
  • 1
  • 29 грн
  • 35
  • 1600136020
  • РЕГУЛЮВАЛЬНЕ КІЛЬЦЕ 0,15 MM
  • ЗАПИТ
    наявності
  • 1
  • 115 грн
  • 2
  • 1607022661
  • МОТОР GWS 18V-15 SC
  • ЗАПИТ
    наявності
  • 1
  • 4467 грн
  • 651
  • 1600A025XR
  • ЗАХИСНИЙ КОЖУХ
  • ЗАПИТ
    наявності
  • 2
  • 317 грн
  • 808
  • 160111A9C0
  • ЕТИКЕТКА ТИПУ
  • ЗАПИТ
    наявності
  • 1
  • 79 грн
  • 50
  • 1603435071
  • САМОНАРІЗНИЙ ГВИНТ
  • ЗАПИТ
    наявності
  • 1
  • 29 грн
  • 9
  • 160111C2SD
  • ФІРМОВА ТАБЛИЧКА
  • ЗАПИТ
    наявності
  • 1
  • 79 грн
  • 656
  • 1600A02059
  • ЗАХИСНИЙ КОЖУХ
  • ЗАПИТ
    наявності
  • 2
  • 403 грн
  • 840
  • 1607000D7Y
  • НАТИСКНА КНОПКА
  • ЗАПИТ
    наявності
  • 1
  • 92 грн
  • 90
  • 16072335LN
  • Модуль керування GWS 18V-15 SC
  • ЗАПИТ
    наявності
  • 1
  • 1645 грн
  • 33
  • 1600210035
  • КІЛЬЦЕ УЩІЛЬНЮЮЧЕ 46,0X1,1 MM
  • ЗАПИТ
    наявності
  • 1
  • 46 грн
  • 650/2
  • 1600A016DN
  • ШВИДКОЗАТИСКНИЙ ФЛАНЕЦЬ
  • ЗАПИТ
    наявності
  • 2
  • 494 грн
  • 321/41
  • 1600200029
  • ПІДШИПНИК КОВЗАННЯ
  • ЗАПИТ
    наявності
  • 1
  • 115 грн
  • 45
  • 1603300016
  • ШЕСТИГРАННА ГАЙКА M7, SW10
  • ЗАПИТ
    наявності
  • 1
  • 50 грн
  • 3
  • 1600A024C4
  • КОНТАКТНА ПЛИТА
  • ЗАПИТ
    наявності
  • 1
  • 358 грн
  • 852
  • 1600A021MH
  • ЗАХИСНИЙ КОЖУХ
  • ЗАПИТ
    наявності
  • 2
  • 317 грн
  • 821
  • 1607000D81
  • КОРПУС РЕДУКТОРА
  • ЗАПИТ
    наявності
  • 1
  • 637 грн
  • 53
  • 1603435078
  • ГВИНТ З ГОЛОВКОЮ TORX
  • ЗАПИТ
    наявності
  • 1,1
  • 29 грн
  • 18
  • 1600A016PW
  • РУКОЯТКА ВИМИКАЧА
  • ЗАПИТ
    наявності
  • 1
  • 29 грн
  • 851
  • 1607000EB1
  • ЕЛЕКТРОННИЙ МОДУЛЬ
  • ЗАПИТ
    наявності
  • 1
  • 4467 грн
  • 92
  • 1600A013WF
  • МОДУЛЬ Bluetooth
  • ЗАПИТ
    наявності
  • 1
  • 1350 грн
  • 35
  • 1600136013
  • РЕГУЛЮВАЛЬНЕ КІЛЬЦЕ 0,1 MM
  • ЗАПИТ
    наявності
  • 1
  • 79 грн
close

Купити запчастини та комплектуючі на Акум. Кутова шліфмашина GWS 18V-15 SC (3601JH6102)

Якщо ви не знайшли необхідні деталі на схемі, цікавить наявність та вартість комплектуючих, уточніть інформацію у менеджера по телефону або надішліть запит через форму зворотного зв'язку.

  • Артикул
  • Назва деталі
  • Кіль-сть на схемі
  • Кіль-сть у кошику
  • Ціна
Додати запчастини до кошика

Усього на суму: 0.00грн