Bosch Інструмент Сервіс

/Адреса:

Київ, пр-т Берестейський, 45

/Шулявська

Режим роботи:

Пн-Чт: 09-00 до 17-00;

П'ятниця: 09-00 до 15-00;

Сб-Нд: вихідний

0

0 товаров на сумму 0 грн

Оформити замовлення

/Адреса:

Київ, пр-т Берестейський, 45

/Шулявська

Режим роботи:

Пн-Чт: 09-00 до 17-00;

П'ятниця: 09-00 до 15-00;

Сб-Нд: вихідний

Авторизований сервісний центр

з ремонту електроінструменту Bosch, Dremel

Bosch Інструмент Сервіс

0

0 товаров на сумму 0 грн

Оформити замовлення

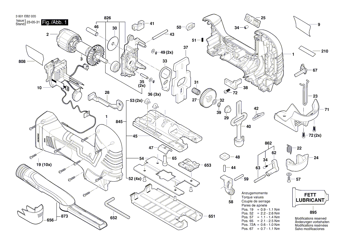
Схема деталювання Акум. Електролобзик GST 185-LI (грибкова ручка) (3601EB2020)

Для замовлення запчастин Bosch виберіть необхідні деталі на схемі, клікнувши за номером позиції на схемі або по потрібному рядку в таблиці. Підтвердьте замовлення унизу сторінки кнопкою Додати запчастини до кошика. Завершіть покупку через кошик.

  • Схема 1
  • Схема 2
  • Артикул
  • Назва
  • ЗАПИТ
  • Ціна
  • 32
  • 2600101077
  • Регулювальне кільце
  • ЗАПИТ
    наявності
  • 1
  • 50 грн
  • 808
  • 1619P16213
  • Етикетка типу
  • ЗАПИТ
    наявності
  • 1
  • 79 грн
  • 9
  • 1619P16224
  • Етикетка фірми
  • ЗАПИТ
    наявності
  • 1
  • 79 грн
  • 65
  • 1619X04887
  • Гвинт із внутр.шостигран.
  • ЗАПИТ
    наявності
  • 1
  • 66 грн
  • 48
  • 1619P07163
  • Плита кріплення
  • ЗАПИТ
    наявності
  • 1
  • 29 грн
  • 36
  • 2600100588
  • Регулювальне кільце
  • ЗАПИТ
    наявності
  • 1
  • 50 грн
  • 873
  • 1619P17472
  • ПАТРУБОК
  • ЗАПИТ
    наявності
  • 1
  • 358 грн
  • 23
  • 1619P07128
  • ЗАХИСНА СКОБА
  • ЗАПИТ
    наявності
  • 1
  • 50 грн
  • 210
  • 1619P17547
  • наклейка
  • ЗАПИТ
    наявності
  • 1
  • 180 грн
  • 52
  • 1613435023
  • Гвинт
  • ЗАПИТ
    наявності
  • 1
  • 29 грн
  • 40
  • 1619P07147
  • Ходова штанга
  • ЗАПИТ
    наявності
  • 1
  • 1645 грн
  • 28
  • 1619P16221
  • Тяга
  • ЗАПИТ
    наявності
  • 1
  • 79 грн
  • 656
  • 1619P07166
  • ЗАКРИВАЮЧИЙ КОЖУХ
  • ЗАПИТ
    наявності
  • 1
  • 79 грн
  • 58
  • 1619P07129
  • Направляючий ролик
  • ЗАПИТ
    наявності
  • 1
  • 372 грн
  • 44
  • 1619P07143
  • Штифт зубчастого колеса
  • ЗАПИТ
    наявності
  • 1
  • 29 грн
  • 45
  • 1619P16715
  • Основна плита
  • ЗАПИТ
    наявності
  • 1
  • 511 грн
  • 33
  • 1619P07137
  • ВІЛЬЧАТИЙ РИЧАГ
  • ЗАПИТ
    наявності
  • 1
  • 132 грн
  • 826
  • 1619P08888
  • Підшипниковий міст
  • ЗАПИТ
    наявності
  • 1
  • 724 грн
  • 10
  • 1619P16534
  • ЕЛЕКТРОННИЙ МОДУЛЬ
  • ЗАПИТ
    наявності
  • 1
  • 2737 грн
  • 67
  • 1619P07158
  • Повзунок вимикача
  • ЗАПИТ
    наявності
  • 1
  • 92 грн
  • 49
  • 2916640901
  • СТОПОРНЕ КІЛЬЦЕ
  • ЗАПИТ
    наявності
  • 1
  • 0 грн
  • 37
  • 1619P07133
  • Балансир
  • ЗАПИТ
    наявності
  • 1
  • 358 грн
  • 895
  • 3605430003
  • Тюбик із мастилом 225 ml
  • ЗАПИТ
    наявності
  • 1
  • 1061 грн
  • 24
  • 1619P07151
  • важільний перемикач
  • ЗАПИТ
    наявності
  • 1
  • 92 грн
  • 651
  • 1619P16710
  • БАШМАК
  • ЗАПИТ
    наявності
  • 1
  • 163 грн
  • 53
  • 1619P10589
  • КРІПЛЕННЯ ДЛЯ КЛЮЧА
  • ЗАПИТ
    наявності
  • 1
  • 50 грн
  • 41
  • 1619P08903
  • ПІДШИПНИК КОВЗАННЯ
  • ЗАПИТ
    наявності
  • 1
  • 66 грн
  • 29
  • 2600914022
  • ГОЛЬЧАТИЙ ПІДШИПНИК
  • ЗАПИТ
    наявності
  • 1
  • 205 грн
  • 657
  • 1607A350M0
  • Акумулятор 18 V Li 4,0 Ah
  • ЗАПИТ
    наявності
  • 2
  • 3734 грн
  • 1
  • 1619P16209
  • Корпус
  • ЗАПИТ
    наявності
  • 1,1
  • 724 грн
  • 59
  • 1619P07159
  • Штифт зубчастого колеса
  • ЗАПИТ
    наявності
  • 1
  • 29 грн
  • 2
  • 1619P16473
  • СТАТОР
  • ЗАПИТ
    наявності
  • 1
  • 1241 грн
  • 62
  • 1619P07157
  • Кнопка реверсу
  • ЗАПИТ
    наявності
  • 1
  • 0 грн
  • 46
  • 1619P07138
  • Штифт зубчастого колеса
  • ЗАПИТ
    наявності
  • 1
  • 79 грн
  • 34
  • 2600590006
  • Фіксатор
  • ЗАПИТ
    наявності
  • 1,1
  • 50 грн
  • 845
  • 1619P16712
  • ПЛИТА ПІДСТАВИ
  • ЗАПИТ
    наявності
  • 1
  • 724 грн
  • 19
  • 2609110201
  • Гвинт із потаємною головкою
  • ЗАПИТ
    наявності
  • 1
  • 66 грн
  • 71
  • 1619P16199
  • Кожух
  • ЗАПИТ
    наявності
  • 1
  • 554 грн
  • 50
  • 1619P16476
  • Опорна колодка
  • ЗАПИТ
    наявності
  • 1
  • 115 грн
  • 38
  • 1619P16714
  • НАКІНЕЧНИК
  • ЗАПИТ
    наявності
  • 1
  • 79 грн
  • 25
  • 1619P16220
  • КНОПКА ВИМИКАЧА
  • ЗАПИТ
    наявності
  • 1
  • 92 грн
  • 652
  • 1619P14506
  • Шестигранний ключ
  • ЗАПИТ
    наявності
  • 1
  • 50 грн
  • 54
  • 1619P16713
  • РОБОЧА ПЛИТА
  • ЗАПИТ
    наявності
  • 1
  • 240 грн
  • 42
  • 1619X08384
  • ПРУЖИНА
  • ЗАПИТ
    наявності
  • 1
  • 66 грн
  • 30
  • 1619P07576
  • Регулювальне кільце
  • ЗАПИТ
    наявності
  • 1
  • 66 грн
  • 669
  • 2607226251
  • Зарядний пристрій GAL 18V-40 (S)
  • ЗАПИТ
    наявності
  • 2
  • 2737 грн
  • 31
  • 2600913040
  • КОМПЛЕКТ РОЛИКІВ
  • ЗАПИТ
    наявності
  • 1
  • 180 грн
  • 669
  • 2607226281
  • Зарядний пристрій GAL 18V-20 (S)
  • ЗАПИТ
    наявності
  • 2
  • 2486 грн
  • 3
  • 1619P16471
  • Ротор
  • ЗАПИТ
    наявності
  • 1
  • 1061 грн
  • 63
  • 1619P07156
  • ВКЛЮЧАЮЧИЙ ВАЛ
  • ЗАПИТ
    наявності
  • 1
  • 50 грн
  • 47
  • 2601030022
  • Планка профільна
  • ЗАПИТ
    наявності
  • 1
  • 79 грн
  • 35
  • 1619P07140
  • Штифт зубчастого колеса
  • ЗАПИТ
    наявності
  • 1
  • 29 грн
  • 862
  • 1619P08890
  • Кнопка реверсу
  • ЗАПИТ
    наявності
  • 1
  • 115 грн
  • 22
  • 1619P07152
  • ТОРСІЙНА ПРУЖИНА
  • ЗАПИТ
    наявності
  • 1
  • 29 грн
  • 72
  • 2603435015
  • Гвинт із хрестоподібним ішли
  • ЗАПИТ
    наявності
  • 1
  • 66 грн
  • 51
  • 1609280477
  • Пружина стиснення
  • ЗАПИТ
    наявності
  • 1
  • 50 грн
  • 39
  • 2916640905
  • СТОПОРНЕ КІЛЬЦЕ
  • ЗАПИТ
    наявності
  • 1
  • 50 грн
  • 27
  • 1619P16223
  • ЕКСЦЕНТРИКОВА ШЕСТЕРНЯ
  • ЗАПИТ
    наявності
  • 1
  • 358 грн
  • 653
  • 2601016093
  • ЗАХИСТ ВІД СКОЛЮВАННЯ
  • ЗАПИТ
    наявності
  • 1
  • 132 грн
  • 57
  • 1619P02848
  • Гвинт з головкою TORX
  • ЗАПИТ
    наявності
  • 1
  • 50 грн
  • 43
  • 1619P07139
  • Штифт
  • ЗАПИТ
    наявності
  • 1
  • 66 грн
close

Купити запчастини та комплектуючі на Акум. Електролобзик GST 185-LI (грибкова ручка) (3601EB2020)

Якщо ви не знайшли необхідні деталі на схемі, цікавить наявність та вартість комплектуючих, уточніть інформацію у менеджера по телефону або надішліть запит через форму зворотного зв'язку.

  • Артикул
  • Назва деталі
  • Кіль-сть на схемі
  • Кіль-сть у кошику
  • Ціна
Додати запчастини до кошика

Усього на суму: 0.00грн